DYQ340F/H/Y上裝偏心半球閥
產品概況
產品型號:DYQ340F/H/Y型、DYQ940F/H/Y
公稱通徑:DN50~2400mm
公稱壓力:PN1.0~1.6MPa
主要材質:球墨鑄鐵QT450/碳鋼WCB/不銹鋼CF8
適用介質:水、天然氣、煤氣、液化氣、原油、重油
適用溫度:≤425℃
法蘭連接尺寸:GB/T 9113.1-2000.ASME/ANSI 16.5
結構長度:GB 12221-2005,ASNE B16.10
制造和驗收:GB12237-89,API 6D
壓力試驗按JB/T9092-1999,GB/T13927-92,AP1598
DYQ340F/H/Y上裝偏心半球閥產品簡介:
百鋼閥門集團生產銷售的DYQ340F,DYQ340H,DYQ340Y上裝偏心半球閥適用于污水處理、紙漿、氧化鋁、城市采暖供熱、油品、天然氣、液態固態兩相混或容易化學結晶的介質等要求嚴禁的場合。可代替:通用閥、油化工專用閥、燃氣專用閥、料漿專用閥、煤粉灰渣專用閥等。
上裝偏心半球閥采用偏心結構原理,通過傳動機構達到閘緊、調節、關閉的目的。雙偏心結構球閥在開啟時球體藏于閥腔內,流通載面大,關閉時閥芯球面沿閥座漸進,具有剪切功能,有效地切除結垢障礙,實現可靠密封。
DYQ340F/H/Y上裝偏心半球閥工作原理:
本系列球閥是傳統球閥富有靈性變化的結晶,它是將金屬球冠固定在偏心球體上,通過偏心曲軸的90度旋轉,實現閥門的啟閉,與金屬球冠密封面接觸的金屬閥座在軸向和徑向浮動,以補償球冠與閥座的配閘閥。簡單可靠的結構及有效的密封方式使它不但可以具有優勢地替代閘閥,而且可適用于不可使用的系統中。可以推廣應用于石油、化工、電力和冶金等行業,它設計合理、結構新穎。其結構采用偏心契緊原理通過傳動機構達到閘緊、調節、關閉的目的,密封副是金屬面環帶硬面接觸密封,雙偏心結構在開啟時閥芯位于藏球室內,流通截面大,且閥門不被沖刷,關閉時閥芯不被沖刷,開啟時閥芯球面沿閥座漸進,有效地切除結垢障礙,實現可靠密封。它對兩相混流易結垢固體析出的混流輸送特別有效。
DYQ340F/H/Y上裝偏心半球閥產品特點:
1、密封嚴密、輸送有害氣體可達零泄露。
2、閥門的半球用雙金屬,母材上堆焊不同的合金,閥座也作相應堆焊經特殊的處理,密封面組合成防腐、耐磨、高強度等各種類型,滿足不同場合需求。
3、密封副的閥芯留有補償量、當閥做磨損后,關閉時再轉動少許,任能可靠密封,延長了使用壽命。此外,用戶將壓緊螺母擰掉,調整或更換后閥座仍可用,避免了閥門密封失效后,整臺報廢的弊端。
4、其結構采用偏心契緊原理通過傳動機構達到閘緊、調節、關閉的目的,密封副是金屬面環帶硬面接觸密封,雙偏心結構在開啟時閥芯位于藏球室內,流通截面大,且閥門不被沖刷,關閉時閥芯不被沖刷,開啟時閥芯球面沿閥座漸進,有效地切除結垢障礙,實現可靠密封。它對兩相混流易結垢固體析出的混流輸送特別有效。
DYQ340F/H/Y上裝偏心半球閥主要性能規范:
|
公稱壓力 |
0.6 |
1.0 |
1.6 |
2.0 |
2.5 |
4.0 |
5.0 |
6.4 |
10 |
|
|
殼體試驗壓力 |
0.9 |
1.5 |
2.4 |
3.0 |
3.8 |
6.0 |
7.5 |
9.6 |
15 |
|
|
高壓密封試驗 |
0.66 |
1.1 |
1.8 |
2.2 |
2.8 |
4.4 |
5.5 |
7.1 |
11 |
|
|
適用介質及溫度℃ |
DYQ40型 |
水、蒸汽、紙漿等溶液t≤180℃ |
||||||||
|
DYQ40型 |
天然氣、煤氣、液化氣、原油、重油 t ≤425℃ |
|||||||||
|
DYQ40型 |
溶液、礦漿、氧化鋁粉、煤粉、煤灰、含塵氣體、廢渣等 t ≤300℃ |
|||||||||
DYQ340F/H/Y上裝偏心半球閥主要零件材質及代號
|
零件名稱 |
DYQ40型 |
DYQ40型 |
DYQ40型 |
|
閥體 |
碳鋼WCB/不銹鋼CF8 |
碳鋼WCB/不銹鋼CF8 |
碳鋼WCB/不銹鋼CF8 |
|
閥桿 |
2Cr13/304 |
2Cr13/304 |
2Cr13/304 |
|
閥芯密封副 |
WCB/CF8+Cr |
WCB/CF8+硬化合金鋼 |
特種硬化合金鋼質 |
|
閥座密封副 |
PTFE/Molon |
WCB/CF8+硬化合金鋼 |
特種硬化合金鋼質 |
|
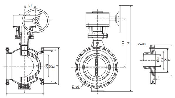
公稱壓力 |
公稱通徑 |
尺寸(mm) |
|||||||
|
L |
D |
K |
d |
b |
z-d0 |
Hw |
Hd |
||
|
1.0MPa |
100 |
229 |
220 |
180 |
156 |
22 |
8-φ18 |
330 |
380 |
|
125 |
254 |
210 |
210 |
184 |
22 |
8-φ18 |
345 |
405 |
|
|
150 |
267 |
240 |
240 |
211 |
24 |
8-φ22 |
370 |
440 |
|
|
200 |
292 |
295 |
295 |
266 |
24 |
8-φ22 |
405 |
470 |
|
|
250 |
330 |
350 |
350 |
319 |
26 |
12-φ22 |
480 |
540 |
|
|
300 |
403 |
400 |
400 |
370 |
26 |
12-φ22 |
520 |
580 |
|
|
350 |
430 |
460 |
460 |
429 |
26 |
16-φ22 |
570 |
630 |
|
|
400 |
530 |
515 |
515 |
480 |
26 |
16-φ26 |
630 |
710 |
|
|
450 |
580 |
565 |
565 |
530 |
28 |
20-φ26 |
690 |
770 |
|
|
500 |
660 |
620 |
620 |
582 |
28 |
20-φ26 |
740 |
820 |
|
|
600 |
840 |
725 |
725 |
682 |
34 |
20-φ30 |
840 |
940 |
|
|
700 |
900 |
840 |
840 |
794 |
34 |
24-φ30 |
960 |
1040 |
|
|
800 |
1000 |
950 |
950 |
901 |
36 |
24-φ33 |
1080 |
1180 |
|
|
900 |
1100 |
1050 |
1050 |
1001 |
38 |
28-φ33 |
1190 |
1280 |
|
|
1000 |
1200 |
1160 |
1160 |
1112 |
38 |
28-φ36 |
1310 |
1420 |
|
|
1200 |
1300 |
1380 |
1380 |
1328 |
44 |
32-φ39 |
1420 |
1530 |
|
|
1400 |
1500 |
1590 |
1590 |
1530 |
48 |
36-φ42 |
1540 |
1650 |
|
|
1.6MPa |
100 |
229 |
180 |
180 |
156 |
22 |
8-φ18 |
330 |
380 |
|
125 |
254 |
210 |
210 |
184 |
22 |
8-φ18 |
345 |
405 |
|
|
150 |
267 |
240 |
240 |
211 |
24 |
8-φ22 |
370 |
440 |
|
|
200 |
292 |
295 |
295 |
266 |
24 |
12-φ22 |
405 |
470 |
|
|
250 |
330 |
355 |
355 |
319 |
26 |
12-φ26 |
480 |
540 |
|
|
300 |
403 |
410 |
410 |
370 |
28 |
12-φ26 |
520 |
580 |
|
|
350 |
430 |
470 |
470 |
429 |
30 |
16-φ26 |
570 |
630 |
|
|
400 |
530 |
525 |
525 |
480 |
32 |
16-φ30 |
630 |
710 |
|
|
450 |
580 |
650 |
585 |
548 |
40 |
20-φ30 |
690 |
770 |
|
|
500 |
660 |
770 |
650 |
609 |
44 |
20-φ33 |
740 |
820 |
|
|
600 |
840 |
840 |
770 |
720 |
54 |
20-φ36 |
840 |
940 |
|
|
700 |
900 |
950 |
840 |
794 |
40 |
24-φ36 |
960 |
1040 |
|
|
800 |
1000 |
1050 |
950 |
901 |
42 |
24-φ39 |
1080 |
1180 |
|
|
900 |
1100 |
1125 |
1050 |
1001 |
44 |
28-φ39 |
1190 |
1280 |
|
|
1000 |
1200 |
1255 |
1170 |
1112 |
46 |
28-φ42 |
1310 |
1420 |
|
|
1200 |
1300 |
1485 |
1390 |
1328 |
52 |
32-φ48 |
1420 |
1530 |
|
|
1400 |
1500 |
1590 |
1590 |
1530 |
58 |
36-φ48 |
1540 |
1650 |
|
溫馨提示:
本文中所有文字、數據、圖片均只適用于參考。需要查看更多的DYQ340F/H/Y上裝偏心半球閥性能參數、結構尺寸參數、價格等詳情,或要求高質量印刷樣本,請聯系我們。