J41Y國標鍛鋼法蘭截止閥
產品概況
產品型號:J41Y
公稱通徑:DN15~50mm
壓力范圍:PN1.6~10.0MPa
工作溫度:-29℃~550℃
主體材質:碳鋼、不銹鋼、合金鋼
適用介質:水、蒸汽、油品、硝酸、醋酸等
應用范圍:適用于自來水、食品、制藥、電力、石油、液化氣、蒸汽、 等介質的管路上
J41Y國標鍛鋼法蘭截止閥產品概述:
百鋼閥門集團生產銷售的J41Y國標鍛鋼法蘭截止閥整體法蘭閥門有三種閥蓋設計,第一種是螺栓型閥蓋,通過凹凸面連接,采用不銹鋼帶與柔性石墨纏繞墊片,按需求也可采用環連接,第二種是焊接型閥蓋,通過螺紋密封后焊接,按需求也可直接采用剛性焊接,第三種是自密封閥蓋,通過螺紋與自密封閥蓋連接。產品廣泛應用于石油、化工、制藥、電力行業等各種工況的管路上。
J41Y國標鍛鋼法蘭截止閥特點及優點:
●該產品嚴格按API602、BS 5352標準設計制造,閥瓣沿著中心定位作升降運動,(襯套采用耐磨性能好,摩擦系數小的特殊材料制作),動作靈活可靠,密封性能優良。產品廣泛應用于石油、化工、制藥、電力行業等各種工況的管路上。
●手輪采用可鍛鑄鐵鍛造,造型配合手握,適當增加摩擦力,方便開啟。并示有明顯的"開"、"關"標記。較大口徑、較高壓力的可選用撞擊式手輪。
●閥桿螺母采用高鎳球鐵, "T"形螺紋與閥桿配合傳遞力矩。閥蓋上填料壓蓋和壓套分體設計,保證閥桿的同心度。合理的填料函確保閥門沒有外漏。符合環保要求。
●閥蓋設有上密封座。符合美國石油協會API和英國BS標準的要求。
J41Y國標鍛鋼法蘭截止閥設計與制造標準:
●設計與制造:JB/T1751 、GB/T12235
●結構長度:GB/T12235
●法蘭尺寸:JB/T79、GB/T9113
●螺紋連接尺寸:GB/T7306
●對焊連接尺寸: GB/T12224
●壓力溫度:GB/T9131
●檢驗與試驗:JB/T9092、GB/T13927
J41Y國標鍛鋼法蘭截止閥的材料明細表:
|
序號 |
零件名稱 |
碳鋼系列 |
合金鋼系列 |
不銹鋼系列 |
|
|
ASTM/ASME |
|||||
|
1 |
閥體/Body |
A105 |
A182F22 |
A182F304(L) |
A182F316(L) |
|
2 |
閥瓣/Disc |
A182/F430 & 410 |
A182/F304 |
A182F/304(L) |
A182/F316(L) |
|
3 |
閥桿/Stem |
A182/F6a |
A182/F304 |
A182/F304(L) |
A182/F316(L) |
|
4 |
密封墊片/Gasket |
304+夾柔性石墨 |
304+夾柔性石墨 |
316+夾柔性石墨/PTFE |
316+夾柔性石墨/PTFE |
|
5 |
閥蓋/Bonnet |
A105 |
A182/F304 |
A182/F304(L) |
A182/F316(L) |
|
6 |
螺柱/Stud |
A193/B7 |
A193/B16 |
A193/B8 |
A193/B8M |
|
7 |
銷軸/Pin |
A276/420 |
A276/304 |
||
|
8 |
填料壓套/Packing Bushing |
A276/410 |
A182/F304(L) |
A182/F316(L) |
|
|
9 |
填料壓板/Gland |
A105 |
A182/F11 |
A182/F304(L) |
A182/F316(L) |
|
10 |
活結螺栓/Eyebolt |
A193/B7 |
A193/B16 |
A193/B8 |
A193/B8M |
|
11 |
螺母/Eyebolt Nut |
A194/2H |
A194/4 |
A194/8 |
A194/8M |
|
12 |
閥桿螺母/Stem Nut |
A276/410 |
|||
|
13 |
手輪螺母/ Handwheel Nut |
A194/2H |
A194/4 |
A194/8 |
A194/8M |
|
14 |
銘牌/ nameplate |
SS 304 |
17 |
銘牌/ nameplate |
SS 304 |
|
15 |
手輪/Handwheel |
A197 |
|||
|
16 |
填料/Packing |
柔性石墨 |
|||
|
17 |
銘牌/ nameplate |
SS 304 |
|||
|
適用介質 |
水、蒸汽、油品等 |
水、蒸汽、油品等 |
硝酸、醋酸等 |
||
|
適用溫度 |
-29℃~425℃ |
-29℃~550℃ |
-29℃~200℃ |
||
注:客戶需求的其他材質也可采用.密封面材料配對客戶指定內件代號決定
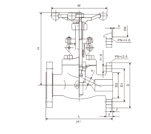
J41Y國標鍛鋼法蘭截止閥尺寸(mm)和重量(kg):
| PN(MPa) | DN(mm) | 15 | 20 | 25 | 32 | 40 | 50 | 65 |
| 1.6 | d(縮徑) | 10 | 13 | 19.1 | 24 | 31.8 | 38.1 | 48.5 |
| 2.5 | ||||||||
| 4.0 | ||||||||
| 6.4 | ||||||||
| 10.0 | ||||||||
| 1.6 | L | 130 | 150 | 160 | 190 | 200 | 230 | 290 |
| 2.5 | ||||||||
| 4.0 | ||||||||
| 6.4 | 170 | 190 | 210 | 230 | 260 |
300 |
340 | |
| 10.0 | ||||||||
| 1.6 | H(開啟) | 158 | 163 | 193 | 250 | 250 | 291 | 350 |
| 2.5 | ||||||||
| 4.0 | ||||||||
| 6.4 | ||||||||
| 10.0 | ||||||||
| 1.6 | W | 100 | 100 | 125 | 160 | 160 | 180 | 240 |
| 2.5 | ||||||||
| 4.0 | ||||||||
| 6.4 | ||||||||
| 10.0 | ||||||||
| 1.6 | WT(kg) | 3.8 | 4.5 | 5.6 | 6.3 | 9.1 | 13.7 | 24.5 |
| 2.5 | 4.0 | 4.7 | 5.8 | 6.5 | 10.7 | 15.3 | 26.2 | |
| 4.0 | 4.3 | 5.0 | 6.3 | 7.0 | 12.3 | 18.8 | 27.7 | |
| 6.4 | 4.8 | 5.6 | 8.0 | 9.4 | 13.7 | 23.7 | 32.0 | |
| 10.0 | 5.4 | 6.6 | 9.8 |
10.5 |
18.6 | 27.6 | 35.0 |
溫馨提示:
本文中所有文字、數據、圖片均只適用于參考。需要查看更多的J41Y國標鍛鋼法蘭截止閥性能參數、結構尺寸參數、價格等詳情,或要求高質量印刷樣本,請聯系我們。