XD371X Fire Signal Butterfly Valve
Product overview
Product model: XD371X
Nominal pressure: PN1.0~ 2.5MPa
Nominal diameter: DN50~350mm
Operating temperature: -10℃-80℃
Applicable medium: water, oil and gas
Design standard: GB/T12238-2008
Structure length: GB/T12221-2005
Connection standard: JB/T 79.1-1994
Pressure test: GB/T13927-2008
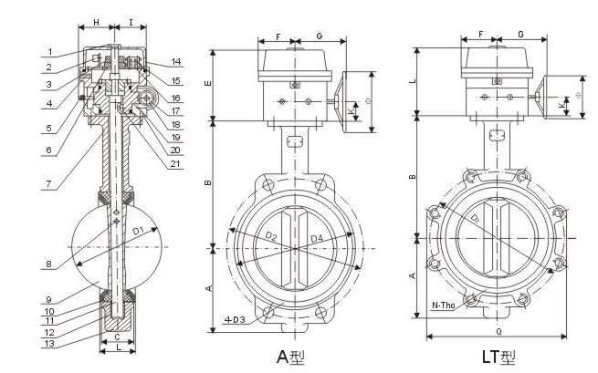
XD371X Fire Signal Butterfly Valve basic Information
|
Serial number
|
Part Name
|
Material
|
Serial number
|
Part Name
|
Material
|
|
1
|
Body
|
Ductile iron, cast steel
|
7
|
Sealing ring
|
NBR.EPDM
|
|
2
|
Valve shaft
|
SUS410 / SUS316
|
8
|
Round spacers
|
SUS316 / brass
|
|
3
|
Butterfly plate
|
Ductile iron spray, stainless steel
|
9
|
Open ring
|
SUS316 / brass
|
|
4
|
Seat
|
EPDM, PTEE
|
10
|
Ring
|
Spring steel
|
|
6
|
bushing
|
Bronze, Teflon
|
XD371X Fire Signal Butterfly Valve main dimensions and weight (PN1.0 / 1.6MPa)

| DN (mm) | A | B | C | D1 | L | n-Φ | K | E | 4-Φ1 | Φ2 | G | Weight WT (kg) |
| 50 | 140 | 80 | 43 | 125 | 32 | 4-19 | 77 | 57.15 | 4-6.7 | 12.6 | 100 | 3.34 |
| 65 | 152 | 89 | 46 | 145 | 32 | 4-19 | 77 | 57.15 | 4-.67 | 12.6 | 120 | 3.94 |
| 80 | 159 | 95 | 45.21 | 160 | 32 | 8-19 | 77 | 57.15 | 4-.67 | 12.6 | 127 | 4.05 |
| 100 | 178 | 114 | 52.07 | 180 | 32 | 8-19 | 92 | 69.85 | 4-10.3 | 15.77 | 156 | 5.48 |
| 125 | 190 | 127 | 55.5 | 210 | 32 | 8-19 | 92 | 69.85 | 4-10.3 | 18.92 | 190 | 7.66 |
| 150 | 203 | 139 | 55.75 | 240 | 32 | 8-23 | 92 | 69.85 | 4-10.3 | 18.92 | 212 | 8.5 |
| 200 | 238 | 175 | 60.58 | 295 | 45 | 8-23 | 115 | 88.9 | 4-14.3 | 22.1 | 268 | 25 |
| 250 | 268 | 203 | 68 | 350 | 45 | 12-23 | 115 | 88.9 | 4-14.3 | 28.45 | 325 | 31.4 |
| 300 | 306 | 242 | 76.9 | 400 | 45 | 12-23 | 140 | 107.95 | 4-14.3 | 31.6 | 403 | 45.9 |
| 350 | 368 | 267 | 76.17 | 460 | 45 | 16-23 | 140 | 107.95 | 4-14.3 | 31.6 | 436 | 54 |
Reminder:
All text, data and pictures in this article are for reference only.To see more details of the XD371X Fire Signal Butterfly Valve performance parameters, structural dimension parameters, pricing, etc., or to request high quality printing samples, please Contact us.